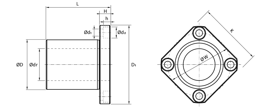
Modelo LMEK

Dimensões em mm.
|
Modelo
|
dr
|
D
|
L
|
D1
|
H
|
W
|
K
|
D1
|
D2
|
h
|
n*
|
Capacidade de Carga (N) | Peso (g) | |||
|
|
Tolerância
|
|
Tolerância
|
Dinâmica | Estática | |||||||||||
| LMEK 8 UU | 8 | +0,008 0 | 16 | 0 -0,008 | 25 | 32 | 5 | 24 | 25 | 3,4 | 6,5 | 3,3 | 4 | 260 | 400 | 44 |
| LMEK 12 UU | 12 | +0,008 0 | 22 | 0 -0,009 | 32 | 42 | 6 | 32 | 32 | 4,5 | 8 | 4,4 | 4 | 410 | 590 | 86 |
| LMEK 16 UU | 16 | +0,009 0 | 26 | 0 -0,009 | 36 | 46 | 6 | 36 | 35 | 4,5 | 8 | 4,4 | 5 | 770 | 1.170 | 120 |
| LMEK 20 UU | 20 | +0,009 0 | 32 | 0 -0,011 | 45 | 54 | 8 | 43 | 42 | 5,5 | 9,5 | 5,4 | 5 | 860 | 1.370 | 184 |
| LMEK 25 UU | 25 | +0,011 0 | 40 | 0 -0,011 | 58 | 62 | 8 | 51 | 50 | 5,5 | 9,5 | 5,4 | 6 | 980 | 1.560 | 335 |
| LMEK 30 UU | 30 | +0,011 0 | 47 | 0 -0,011 | 68 | 76 | 10 | 62 | 60 | 6,6 | 11 | 6,5 | 6 | 1.560 | 2.740 | 545 |
| LMEK 40 UU | 40 | +0,013 0 | 62 | 0 -0,013 | 80 | 98 | 13 | 80 | 75 | 9 | 14 | 8,6 | 6 | 2.150 | 4.010 | 1.185 |
Modelo LMEK-L

Dimensões em mm.
|
Modelo
|
dr
|
D
|
L
|
D1
|
H | W | K | D1 | D2 | h | n* | Capacidade de Carga (N) | Peso (g) |
|||
|
|
Tolerância
|
|
Tolerância
|
Dinâmica | Estática | |||||||||||
| LMEKL 8 UU | 8 | +0,009 0 | 16 | 0 -0,009 | 45 | 32 | 5 | 24 | 25 | 3,4 | 6,5 | 3,3 | 4 | 430 | 780 | 53 |
| LMEKL 12 UU | 12 | +0,009 0 | 22 | 0 -0,009 | 57 | 42 | 6 | 32 | 32 | 4,5 | 8 | 4,4 | 4 | 650 | 1200 | 100 |
| LMEKL 16 UU | 16 | +0,011 0 | 26 | 0 -0,011 | 70 | 46 | 6 | 36 | 35 | 4,5 | 8 | 4,4 | 5 | 1230 | 2350 | 187 |
| LMEKL 20 UU | 20 | +0,011 0 | 32 | 0 -0,011 | 80 | 54 | 8 | 43 | 42 | 5,5 | 9,5 | 5,4 | 5 | 1400 | 12750 | 260 |
| LMEKL 25 UU | 25 | +0,013 0 | 40 | 0 -0,013 | 112 | 62 | 8 | 51 | 50 | 5,5 | 9,5 | 5,4 | 6 | 1560 | 3140 | 515 |
| LMEKL 30 UU | 30 | +0,013 0 | 47 | 0 -0,013 | 123 | 76 | 10 | 62 | 60 | 6,6 | 11 | 6,5 | 6 | 2490 | 5490 | 655 |
| LMEKL 40 UU | 40 | +0,016 0 | 62 | 0 -0,015 | 154 | 98 | 13 | 80 | 75 | 9 | 14 | 8,6 | 6 | 3430 | 8040 | 1.560 |
Preencha o formulário e nossa equipe entrará em contato para lhe atender.
A OBR oferece soluções eficientes em movimentação linear, amortecimento, isolamento térmico e automação.
Com uma equipe preparada e segmentada, oferecemos um atendimento diferenciado com atenção especial a todos nossos clientes.