
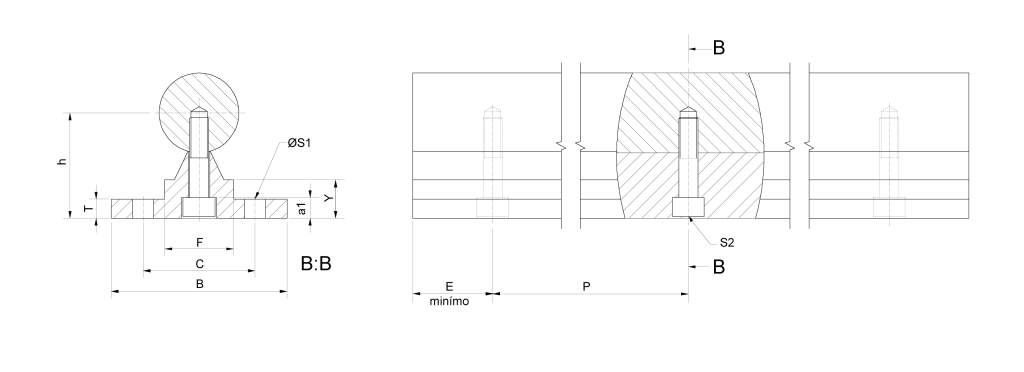
Dimensões em mm.
| Modelo | Ø D | h | B | T | F | Y | C | Ø S1 | a1 | S2 | P | E mínimo | Peso (kgf/m) |
| SBR – 12 | 12 | 22,4 | 30 | 4 | 12 | 11,5 | 22 | Ø 5 | 5 | M5 | 150 | 15 | 1,40 |
| SBR – 16 | 16 | 25 | 40 | 5 | 18,5 | 11,7 | 30 | Ø 5,5 | 6 | M5 | 150 | 8 | 2,56 |
| SBR – 20 | 20 | 27 | 45 | 5 | 19 | 10 | 30 | Ø 5,5 | 6 | M5 | 150 | 8 | 3,50 |
| SBR – 25 | 25 | 32 | 55 | 6 | 21,5 | 12 | 35 | Ø 6,6 | 6,5 | M6 | 200 | 10 | 5,30 |
| SBR – 30 | 30 | 36,2 | 60 | 7 | 26,5 | 13 | 40 | Ø 6,6 | 8,5 | M6 | 200 | 10 | 7,38 |
| SBR – 40 | 40 | 47,5 | 75 | 9 | 38 | 17 | 55 | Ø 9 | 8,5 | M6 | 200 | 30 | 12,69 |
Preencha o formulário e nossa equipe entrará em contato para lhe atender.
A OBR oferece soluções eficientes em movimentação linear, amortecimento, isolamento térmico e automação.
Com uma equipe preparada e segmentada, oferecemos um atendimento diferenciado com atenção especial a todos nossos clientes.