Fuso de Esfera Modelo OBR-SFYR-5050-A2
Download dos arquivos em 3D:
.step

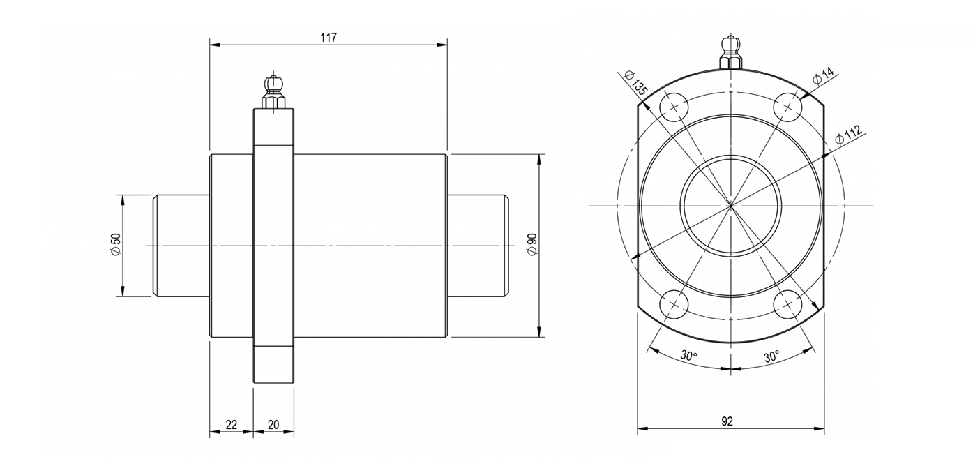
Dimensões em mm.
| Modelo da Porca | Diam. Fuso | Passo |
Diam. Esfera
|
Voltas Efetivas
|
Capacidade Dinâmica* (Kgf) | Capacidade Estática (Kgf) | Modelo do Fuso |
| OBR-SFYR-5050-3.6 | 50 | 50 | 7,93 | 3.6 | 7.220 | 21.974 | SFYR-5050-3.6 |
*Carga dinâmica = 1×106 revoluções
Usinagem para mancalização para mancais tipo fixo e tipo apoio
Preencha o formulário e nossa equipe entrará em contato para lhe atender.
A OBR oferece soluções eficientes em movimentação linear, amortecimento, isolamento térmico e automação.
Com uma equipe preparada e segmentada, oferecemos um atendimento diferenciado com atenção especial a todos nossos clientes.